GXFZ-A系列单轴磁粉制动器

您当前的位置:首页 / 产品展示 / 磁粉制动器、离合器系列 / GXFZ-A系列单轴磁粉制动器

产品展示

GXFZ-A系列单轴磁粉制动器

GXFZ-A系列单轴磁粉制动器
  • 质量稳定:实行全过程质量监控,细致入微,各方面检测!
  • 价格合理:有效内部成本控制,减少了开支,让利于客户!
  • 交货快捷:生产流水线,充足的备货,缩短了交货期!
  • 热线:0577-65138780

产品详情



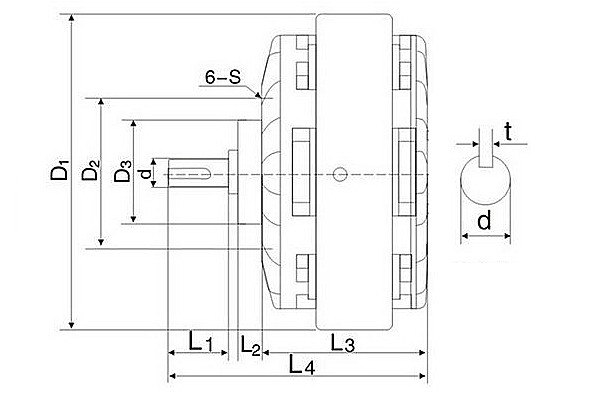
型号

主要技术参数

外形尺寸

轴部

R重量
转矩滑功电压转速电流AD1D2D3L1L2L3L46-Sdtkg
GXFZ-A-66702410000.81306244251068108M5124M483.5
GXFZ-A-121212024100011576250301584133M5165M486
GXFZ-A-25251502410001.51827858401992154M6206M5109
GXFZ-A-50502002410001.8219100755022110185M6258M61215
GXFZ-A-100100300248002290120906525143238M8308M102032
GXFZ-A-2002005002480033351401107030167272M103510M102054
GXFZ-A-40040010002480043982001309935197336M124514M102086


【产品简介】
磁粉制动器是一种性能you越的自动控制元件,是由传动单元和从动单元合并而成。它以磁粉为工作介质,
以激磁电流为控制手段达到控制制动或传递转矩的目的。其输出转矩与激磁电流呈良好的线性关系,并具有
响应速度快、结构简单等优点,因而适用于电线、电缆、印刷、包装、纺织、橡胶皮革、金属箔带加工、造
纸及纸品加工等有关卷取装置的张力自动控制系统中。

【工作原理】
磁粉制动器主要有制动架,制动件和操纵装置组成.有些制动器还装有制动件间隙的自动调整装置, 为了
减少制动力矩和结构尺寸,制动器通常装在设备的高速轴上,运用刹车、闸来对机械运动件和机械零配件的停
止和减速,

【产品特性】
采用耐热性能you越的超合金磁粉,温升低、输出转矩恒定、响应速度快,可高频率工作。※使用耐高温
之线圈及轴承,运转平稳,在启动、运行、制动状态下,无振动、无冲击、无噪音。※具有过载保护,
在转矩超载情况下,自动滑差动行起到过载保护作用。※体积小、自重轻、安装简便、使用寿命长。



相关信息

如果您有任何产品上的问题及建议,或您想知道的,您可以随时与我们联系。