Current location:Home / Product / Magnetic brakes clutches Series / GXFL - B series solenoid powder clutch
Products Show
Product Details

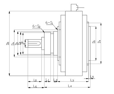
▲parameters
Model | Main technical parameters | Shape Size | diameter deep | Magnetic | ||||||||||||||||
Torque | Smooth function | Voltage | speed | W(KG) | D0 | D1 | D2×L1 | D3×L2 | D4 | d×L0 | L6 | L3 | L4 | L5 | 6-S2 | 6-S1 | b×t | R | G | |
GXFL-B-6 | 6 | 70 | 24 | 1400 | 4.8 | 130 | 50 | 60×17 | 65×7 | 70 | 12×25 | 28 | 62 | 92 | 3 | M4 | M5 | 4×10 | M3×6 | 10 |
GXFL-B-12 | 12 | 120 | 24 | 1400 | 5.8 | 157 | 60 | 70×18 | 72×8 | 80 | 16×30 | 33 | 73 | 105 | 3 | M4 | M5 | 5×13 | M4×8 | 20 |
GXFL-B-25 | 25 | 150 | 24 | 1400 | 10 | 182 | 71 | 80×20 | 82×10 | 97 | 20×40 | 45 | 88 | 125 | 4 | M5 | M6 | 6×16.5 | M5×10 | 30 |
GXFL-B-50 | 50 | 200 | 24 | 1400 | 16 | 219 | 85 | 95×22 | 97×11 | 110 | 25×55 | 60 | 103 | 144 | 4 | M6 | M6 | 8×21.5 | M6×12 | 60 |
GXFL-B-100 | 100 | 300 | 24 | 1000 | 34 | 290 | 105 | 125×24 | 128×14 | 145 | 30×65 | 70 | 136 | 182 | 5 | M8 | M8 | 8×25 | M10×20 | 110 |
GXFL-B-200 | 200 | 500 | 24 | 1000 | 53 | 335 | 125 | 140×28 | 145×17 | 165 | 35×70 | 75 | 145 | 200 | 5 | M8 | M10 | 10×30 | M10×20 | 180 |
GXFL-B-400 | 400 | 1000 | 24 | 1000 | 92 | 398 | 160 | 180×30 | 190×20 | 210 | 45×95 | 100 | 193 | 251 | 5 | M10 | M12 | 14×39.5 | M10×20 | 300 |
Due to design type manufacturing specifications are subject to change or size.
Related Information